
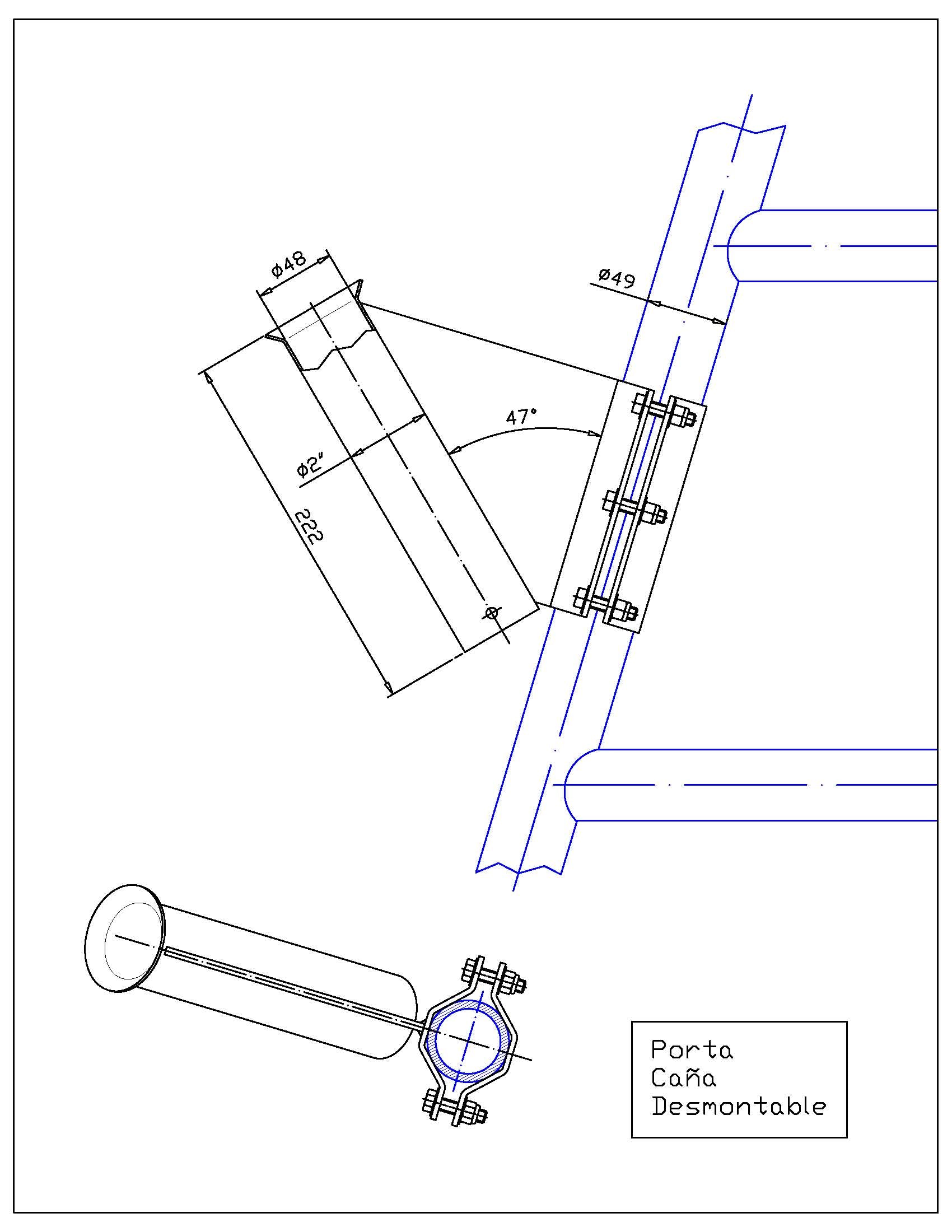
Porta Caña Demontable
Estos planos mecánicos presentan el diseño de ingeniería completo de un soporte ajustable para cañas de pescar, especialmente ideado para su instalación en embarcaciones de recreo o pesca deportiva. Este diseño de ingeniería combina funcionalidad, resistencia y facilidad de montaje, garantizando un rendimiento confiable en condiciones marinas exigentes. Su estructura, basada en tubo, barra redonda y placa de acero inoxidable, ofrece gran durabilidad frente a la corrosión y un comportamiento mecánico óptimo, ideal para proyectos de diseño naval y equipamiento náutico.
El sistema de fijación móvil permite ajustar el soporte a diferentes diámetros de tubos de la toldilla, sin requerir modificaciones permanentes en la embarcación. Las dimensiones están expresadas en milímetros, asegurando uniformidad en procesos de corte y ensamblaje. Estos planos técnicos profesionales en español fueron desarrollados a partir de proyectos reales, proporcionando una guía precisa para talleres y astilleros dedicados a la fabricación o mejora de accesorios marinos.
Características principales
- Sistema de fijación ajustable compatible con distintos diámetros de tubo en las toldillas.
- Construcción robusta en acero inoxidable para uso prolongado en ambientes marinos.
- Diseño que facilita el montaje, desmontaje y mantenimiento periódico.
- Planos en español con especificaciones de ingeniería verificadas para máxima precisión.
Contenido del archivo
- 6 planos en formato PDF con diseño completo y especificaciones técnicas. Dimensiones en milímetros salvo indicación distinta.
- Vistas detalladas de cada pieza, ensamblaje y elementos de ajuste.
- Documentación técnica lista para impresión en tamaño carta.
Usos recomendados
- Instalación en embarcaciones de recreo o pesca deportiva.
- Talleres de fabricación y mantenimiento de accesorios marinos.
- Ingenieros mecánicos dedicados a proyectos de diseño naval y equipamiento náutico.
- Astilleros y empresas de construcción o reparación de embarcaciones.
- Formación técnica en ingeniería marina y diseño de componentes náuticos.
Estos planos técnicos profesionales están basados en proyectos reales. Son materiales de referencia que deben ser revisados por un ingeniero licenciado según los requisitos específicos de tu proyecto y jurisdicción local.
Descarga inmediata: Compra ahora y recibe los archivos PDF en tu correo en menos de 5 minutos. Listos para imprimir y usar como referencia técnica profesional.